Наши Услуги
систем теплоснабжения
Комплексная настройка заключается в разработке и формировании оптимальных гидравлических режимов работы источников тепла с последующим расчетным распределением тепловой энергии от источника до каждого конкретного потребителя

систем теплоснабжения
Определение показателей качества теплоснабжения с разработкой оптимальных и экономически обоснованных мероприятий по повышению качества теплоснабжения населения, а также повышению эффективности и экономичности работы централизованной системы теплоснабжения

аварийных ситуаций (ПЛАС)
Разработка плана ликвидации аварийных ситуаций для централизованных систем теплоснабжения в соответствии с требованиями Приказа Минэнерго РФ № 2234 как обязательного элемента подготовки к отопительному периоду

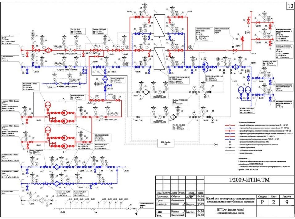
теплового пункта
Разработка паспорта теплового пункта как обязательного элемента эксплуатационной документации и подготовки объектов теплоснабжения к отопительному периоду в соответствии с требованиями законодательства РФ и Приказа Минэнерго № 2234

схем теплоснабжения
Комплекс мероприятий, направленных на определение долгосрочной перспективы развития централизованных систем теплоснабжения поселений и городских округов

индивидуальных тепловых пунктов
Проектирование и строительство ИТП с целью обеспечения эффективного и экономичного использования тепла потребителями, что позволяет адаптировать параметры теплоносителя в зависимости от погодных условий и потребностей пользователей
