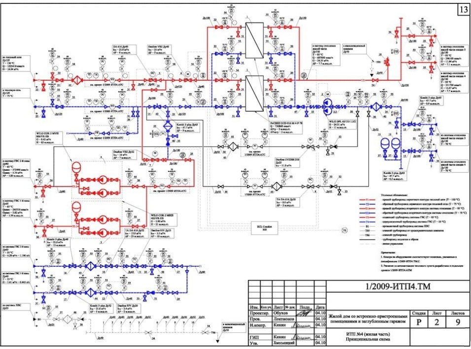
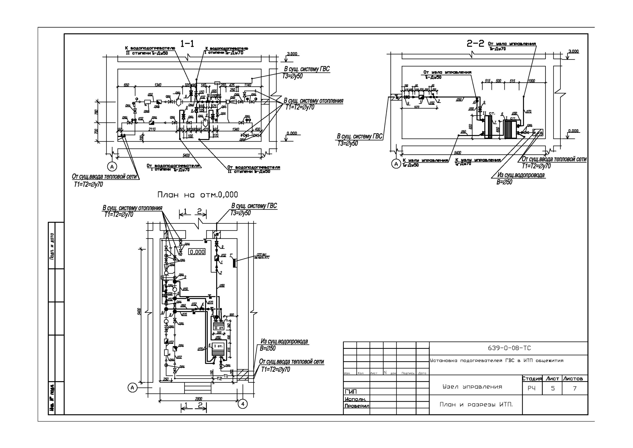
Разработка паспорта теплового пункта
Обязательный документ эксплуатационной документации для подготовки объектов теплоснабжения к отопительному периоду в соответствии с требованиями Приказа Минэнерго № 2234
Что вы получите
- Полный комплект технической документации ТП
- Соответствие требованиям законодательства
- Готовность к оценке ОЗП
- Снижение рисков отказов оборудования
- Упорядоченную эксплуатационную документацию
Виды выполняемых работ
- Обследование теплового пункта и его оборудования
- Анализ технического состояния и схемы подключения
- Формирование эксплуатационных и технических характеристик теплового пункта
- Разработка и оформление паспорта теплового пункта в установленной нормативной форме
Цели выполнения работ
- Формирование полного комплекта технической и эксплуатационной документации теплового пункта
- Обеспечение соответствия объекта требованиям действующего законодательства
- Подготовка объектов теплоснабжения к отопительному периоду
- Снижение рисков отказов оборудования и нарушений режимов теплоснабжения
Нормативная база
Разработка паспорта теплового пункта осуществляется в соответствии с:
Правила технической эксплуатации объектов теплоснабжения и теплопотребляющих установок
Требования пункта 30 Правил технической эксплуатации теплопотребляющих установок
Приказ Минэнерго России от 13.11.2024 № 2234
Достигнутый эффект
- Обеспечено нормативное соответствие объекта теплоснабжения
- Повышена надёжность и безопасность эксплуатации теплового пункта
- Упорядочена эксплуатационная документация
- Снижены риски замечаний при проверках и оценке готовности к ОЗП
Готовы заказать разработку паспорта ТП?
Свяжитесь с нами для консультации и расчёта стоимости





